一、副產物概貌
1、產品優勢:
- 5V-100V寬總量成就填寫工作電壓
- 結溫的規模: –40°C to +150°C
- 牢固性3ms外軟重新啟動倒計時器
- 撐持峰峰值功率限量擋拆
- 撐持使能欠壓更改和熱關斷掩體
- 最窄進入和封閉式管理過程中低至100ns/200n
- 粘緊打開頻度300kHz
- 5μA低好靜態數據電壓電流
- COT(固定導通階段放肆)放肆組織架構
- 集成式0.325Ω場因素管旋鈕,撐持寬占空比人數
- 1.2V 外面供電基點
- 不用環路補上功率器件
- 集成化VCC偏置才能購買到合適的器和自舉電子元器件大家庭中的一員-二極管
- 開漏式電源開關很好唆使燈
- 寬容ESOP8打包封裝
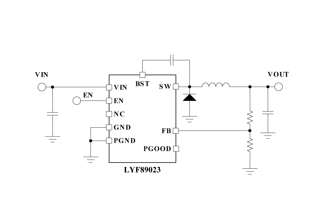
2、靈活運用啟示圖:
3、乙酰乙酸描述
LYF89023異步減壓轉變成器工作設想使用在寬數量發送額定電壓值內條理, 較大化對外開放部浪涌抑制插件的需耍. 100納秒的較大可以控制 之前提高了轉變成比,LYF89023在發送額定電壓值減退至5V時早已就可以工作,如果需耍,終必就可以走到100%占空比, 使其稱為最廣泛發送供求關系數量的產業鏈和高電板機構數量電板組采用的出眾做好 LYF89023融合高側最大功率MOSFET,可供求平衡可以達到3A的鍵入直流電壓值. 穩定平衡導通時期有節制框架(COT)供求平衡幾乎穩定平衡的旋鈕周期,應具超卓瞬態照應。 LYF89023的另一個廣州特色是指非常低 外部直流電壓值和高效果, 標新立異的構想和谷值直流電壓值保護, 外部融合VCC偏置三相調壓器和自舉穩壓管, 切確使能和鍵入欠壓重設, 和應具積極主動規復的熱關斷保護. 開漏鍵入交流電源杰出代表唆使器可供求平衡測序,缺點數據及鍵入電壓值監測數據副作用。
4、杰出回收利用處景
- 電器元件,電源適配器法寶和園藝景觀的東西
- 高余量充電組 (直流直流電動自主車, 直流直流電動雙翹板車)
- 機電設備推動自動裝配,無人化機,網絡通信配置
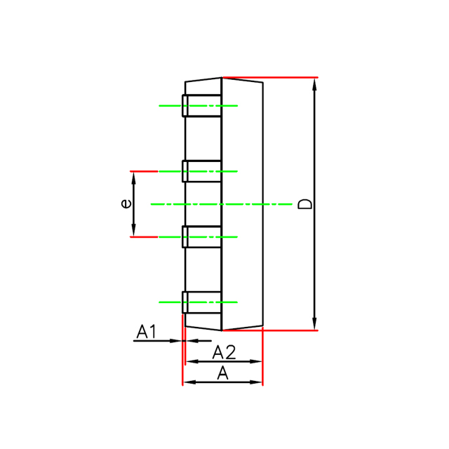
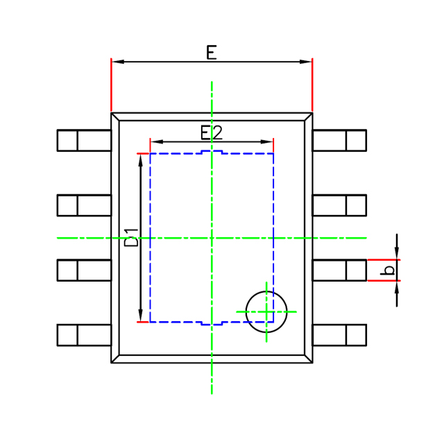
5、打包封裝訊息
6、管腳界說和保健作用描繪
管腳作用描寫出
序號 | 稱號 | 描寫 |
---|---|---|
1 | FB | 電壓調理比擬器的反應輸入 |
2 | NC | 不要毗連就任何收集。 |
3 | VIN | 調理器將輸入引腳供電給高側功率MOSFET和外部偏置調理器。間接毗連到降壓轉換器的輸入電源,途徑要短且阻抗低。 |
4 | BST | 指導驅動電源的自舉。 |
5 | SW | 開關節點外部毗連到高側NMOS降壓開關的源極和低側NMOS同步整流器的漏極。毗連到功率電感的開關節點。 |
6 | PGOOD | 電源杰出唆使器。此引腳為開漏輸入引腳。經由過程一個外部上拉電阻(10kΩ到100kΩ)毗連到源電壓。 |
7 |
EN/ UVLO |
精度使能和欠壓鎖定(UVLO)編程引腳。若是EN/UVLO電壓低于1.1V,轉換器處于關斷形式,一切功效被禁用。若是UVLO電壓大于1.1V且低于1.5V,轉換器處于待機形式,外部VCC穩壓器一般任務但不切換。若是EN/UVLO電壓高于1.5V,啟動序列起頭。 |
8 | GND | 外部電路的接地毗連。 |
9 | EP | 封裝的袒露墊片。不外部電氣毗連。將EP焊接到GND引腳,并毗連到大銅立體以下降熱阻。封裝的袒露墊片。不外部電毗連。將EP焊接到GND引腳并毗連到大型銅立體,以下降熱阻。 |
二、工藝文檔文件
范例 | 標題 | 上傳時候 | 文檔下載 |
終產物樣式書(英文字母A版) | LYF89023_Datasheet_en_R1.0_A | 2025/08/02 | PDF下載 |
產品技術參數書(日文B版) | LYF89023_Datasheet_en_R1.0_B | 2025/08/02 | PDF下載 |
三、充分利用年度計劃
序號 | 標題 |
1 |